| Sign In | Join Free | My gastesters.com |
|
Brand Name : Believe Industry Company
Model Number : BELI SERIES
Certification : CE
Place of Origin : CHINA
Payment Terms : 30%TT in advance, 70% before delivery
Supply Ability : 45 sets per quarter
Delivery Time : 60 to 90 days
Packaging Details : Nude Packing
Other Name : Storage Step Beam Rollformer Line With Flying Cutoff
Usage : Used to produce seamed step beams for storage system
Machine Feature : Water cooling system for lubricating and cooling
Advantages : Flying saw cutting for high productivity
Machine speed : 15m/min
Control System : PLC control system
Self Seamed Type Step Beam Roll Forming Machine With Flying Saw Cutoff
Description
This roll forming machine is used to produce seamed type step beams for storage system. Main components of the box beam roll forming machine are decoiler, feeding and guiding device, roll former, cutter, hydraulic pump station, and control cabinet, etc.
Work Process Of Step Beam Rollforming Line
Steel coil loading on the decoiler---steel coil unwinding---feeding and entry guiding---material levelling---roll forming---straightening---saw cutting---final product
Machine Features
Machine Parameters
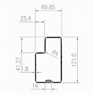
| No. | Item | Parameter | Profile Drawing |
| 1. | Raw Material | cold rolled steel coils | ![]() |
| 2. | Material Thickness | 1.5mm to 2.0mm | |
| 3. | Roller Stations | 32 stations | |
| 4. | Line Speed | 15-20m/min | |
| 5. | Main Power | 15kw * 2 | |
| 6. | Cutting Motion | flying saw cutting | |
| 7. | Drive | by chain and sprocket | |
| 8. | Control System | PLC control system |
Loading And Packing Details
1. A 40GP container is needed for loading whole step beam rollforming line.
2. Main machine is fastened inside of the container with steel wire with nude packing
3. Control cabinet and hydraulic station are wrapped with plastic film and fastened inside of the container



|
|
Self Seamed Step Rack Roll Forming Machine With Flying Saw Cutoff Images |